• English
    • Deutsch
    • French
    • Requires WPML plugin
  • Country
    • United States (USD)
    • Deutschland (EUR)
    • Japan (JPY)
Livraison gratuite pour toutes les commandes de € 1000
  • Newsletter
  • Contact Us
  • FAQs
Select category
  • Select category
  • Chasse Garmin
    • Centrale Garmin
    • Chasse Aero Healthcare
    • Chaussure Aigle
    • Colliers de repérage Garmin
    • Combo Centrale + Collier.
    • Ensemble Chasse
    • Lunette Thermique
  • chien de chasse
    • Beagle
    • Berger Allemend
    • Braque Allemand
    • Epagneul Breton
    • Labrador Retriever
    • Laisse pour chien
    • Pointeur
    • Setter Anglais
  • GPS portables et radios
    • Accessoires pour GPS portables Garmin
    • Appareils GPS portables Garmin
    • Communication satellite inReach Garmin
    • Radios VHF Garmin
  • Lighting
  • Montres
    • Descent
      • Instinct
    • Fenix
    • Forerunner
    • Quatix
    • Venu
  • Pilotes automatiques Garmin
    • Pilotes automatiques sans unité de puissance Garmin
    • Pilotes hydrauliques Garmin
    • Vérins
  • Produit de pêche
    • Afficheurs Multifonctions
      • Accessoires pour afficheurs multifonctions Garmin
      • ECHOMAP Plus Garmin
      • GPSMAP Garmin
      • Offres spéciales Garmin Marine
    • Radar Garmin
      • Accessoires radar Garmin
    • Sondeurs / Sondeurs de pêche Garmin
      • Sondeur Panoptix Front-Vü / Livescope Garmin
      • Striker Garmin
Login / Register
Liste de souhaits
0 Comparer
0 items €0.00
Menu
0 items €0.00
Browse Categories
  • montre
    • Quatix
    • Fenix
    • Venu
    • Descent
    • Forerunner
    • Instinct
  • Chasse Garmin
    • Chaussure Aigle
    • Chasse Aero Healthcare
    • Colliers de repérage Garmin
    • Lunette Thermique
    • Ensemble Chasse
  • Produit de pêche
    • Afficheurs Multifonctions
      • Offres spéciales Garmin Marine
      • GPSMAP Garmin
      • ECHOMAP Plus Garmin
      • Accessoires pour afficheurs multifonctions Garmin
    • Radar Garmin
      • Accessoires radar Garmin
    • Sondeurs / Sondeurs de pêche Garmin
      • Striker Garmin
      • Sondeur Panoptix Front-Vü / Livescope Garmin
      • Modules sonar Garmin
      • Sondes Garmin
    • Pilotes automatiques Garmin
      • Pilotes hydrauliques Garmin
      • Vérins
      • Pilotes automatiques sans unité de puissance Garmin
    • GPS portables et radios
      • Appareils GPS portables Garmin
      • Radios VHF Garmin
      • Communication satellite inReach Garmin
      • Accessoires pour GPS portables Garmin
  • chien de chasse
    • Beagle
    • Berger Allemend
    • Braque Allemand
    • Epagneul Breton
    • Labrador Retriever
    • Pointeur
    • Setter Anglais
  • Accueil
  • Boutique
  • À propos de nous
  • Contactez-nous
  • Offre spéciale
  • universgarmin
Click to enlarge
Home Pilotes automatiques Garmin Pilotes hydrauliques Garmin Shadow Drive
Télécommande pour pilote automatique Reactor 40
Télécommande pour pilote automatique Reactor 40 €177.00
Back to products
Pilote automatique Reactor 40 / avec GHC50 et unité de puissance linéaire type 1
Pilote automatique Reactor 40 / avec GHC50 et unité de puissance linéaire type 1 €3,202.00

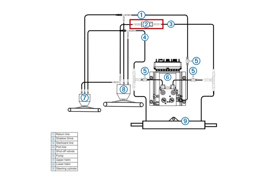
Shadow Drive

€269.71

Le système Shadow Drive désactive lui-même le pilote automatique si la barre est actionnée. Le pilote automatique se réactive tout seul lorsque le navire reprend un cap rectiligne. Convient aux pilotes automatiques Garmin, par ex le Reactor 40

Comparer
Ajouter à la liste de souhaits
Catégorie: Pilotes hydrauliques Garmin
Share:
  • Description
  • Reviews (0)
  • Shipping & Delivery
Description

Données sur le produit

  • Référence93893
  • EAN0753759077884
  • No. modèle010-11054-00
  • Désignation“GARMIN – Schaduwaandrijving

Détails sur le produit

Le système Shadow Drive désactive lui-même le pilote automatique si la barre est actionnée. Le pilote automatique se réactive tout seul lorsque le navire reprend un cap rectiligne. Convient aux pilotes automatiques Garmin, par ex le Reactor 40.

Filetage de connexion : 1/4″ NPT (pour filetage jusqu’à 11 mm max.)

Reviews (0)

Reviews

There are no reviews yet.

Be the first to review “Shadow Drive” Cancel reply

Your email address will not be published. Required fields are marked *

Shipping & Delivery
wd-ship-1
wd-ship-2

MAECENAS IACULIS

Vestibulum curae torquent diam diam commodo parturient penatibus nunc dui adipiscing convallis bulum parturient suspendisse parturient a.Parturient in parturient scelerisque nibh lectus quam a natoque adipiscing a vestibulum hendrerit et pharetra fames nunc natoque dui.

ADIPISCING CONVALLIS BULUM

  • Vestibulum penatibus nunc dui adipiscing convallis bulum parturient suspendisse.
  • Abitur parturient praesent lectus quam a natoque adipiscing a vestibulum hendre.
  • Diam parturient dictumst parturient scelerisque nibh lectus.

Scelerisque adipiscing bibendum sem vestibulum et in a a a purus lectus faucibus lobortis tincidunt purus lectus nisl class eros.Condimentum a et ullamcorper dictumst mus et tristique elementum nam inceptos hac parturient scelerisque vestibulum amet elit ut volutpat.

Produits similaires

Comparer

Instrument pour pilote automatique GHC50

Pilotes hydrauliques Garmin
€547.00
Spécialement conçu pour les pilotes automatiques ! L'instrument Garmin haute qualité GHC50 comporte un écran tactile haute résolution 5" et une interface intuitive qui vous permet de contrôler votre cap d'une simple pression.
Ajouter à la liste de souhaits
Ajouter au panier
Quick view
Comparer

Kit Pompe de pilote automatique / 1,2 litres

Pilotes hydrauliques Garmin
€731.00
Données sur le produit Référence93871 EAN0753759194666 No. modèle010-00705-64 DésignationGARMIN – Kit Pompe de pilote automatique / 1,2 litres Mode d’entraînementHydraulique
Ajouter à la liste de souhaits
Ajouter au panier
Quick view
Comparer

Système de pilote automatique hydraulique Reactor 40 / avec GHC50 et pompe hydraulique 1L

Pilotes hydrauliques Garmin
€1,496.00
Le pilote automatique pour directions hydrauliques Reactor 40 a spécialement été conçu pour les embarcations motorisées et les voiliers de moins de 9 m de long. Il est tout simplement le pilote automatique le plus réactif jamais imaginé. Contenu de la livraison : contrôleur de pilote GHC 50 5", unité de contrôle électronique (ECU), capteur de cap (CCU), avertisseur sonore et pompe hydraulique (1 litre).
Ajouter à la liste de souhaits
Ajouter au panier
Quick view
Comparer

Système de pilote automatique hydraulique Reactor 40 / avec GHC50, pompe hydraulique 1L et Shadow Drive

Pilotes hydrauliques Garmin
€1,748.00
Le pilote automatique pour directions hydrauliques Reactor 40 a spécialement été conçu pour les embarcations motorisées et les voiliers de moins de 9 m de long. Il est tout simplement le pilote automatique le plus réactif jamais imaginé. Contenu de la livraison : contrôleur de pilote GHC50 5", unité de contrôle électronique (ECU), unité de contrôle du circuit (CCU), avertisseur sonore, pompe hydraulique (1 litre) et technologie innovante Shadow Drive
Ajouter à la liste de souhaits
Ajouter au panier
Quick view
Comparer

Système de pilote automatique hydraulique Reactor 40 / avec GHC50, SmartPump v2 et Shadow Drive

Pilotes hydrauliques Garmin
€3,370.00
Le pilote automatique pour directions hydrauliques Reactor 40 s'accompagne d'une pompe hydraulique SmartPump v2 conçue pour s'adapter à quasiment tous les bateaux. La pompe ajuste automatiquement son flux de 0 à 2,4 litres par minute selon le bateau. Le moteur sans balais garantit une longévité accrue, un fonctionnement discret, des performances thermiques améliorées, un puissance réduite, une plus grande efficacité et une fiabilité totale
Ajouter à la liste de souhaits
Ajouter au panier
Quick view
Comparer

Télécommande pour pilote automatique Reactor 40

Pilotes hydrauliques Garmin
€177.00
Solide télécommande, insubmersible et résistante à l'eau, pour votre pilote automatique Reactor de Garmin ! Cette télécommande sans fils comporte un écran rétroéclairé ; vous pouvez l'utiliser depuis n'importe où sur votre bateau
Ajouter à la liste de souhaits
Ajouter au panier
Quick view

    Livraison gratuite pour les commandes supérieures à 1000

    Livraison gratuite

    Support 24h/24 et 7j/7

    Nous sommes disponibles pour toutes les livraisons à toute heure

    Paiement en ligne

    Payez facilement et en toute sécurité directement sur notre site, où que vous soyez.

    Livraison rapide

    Vos commandes livrées rapidement et sans attente.

    • Notre menu
      • Accueil
      • Boutique
      • À propos de nous
      • Contactez-nous
    • Liens utiles
      • Politique de confidentialité
      • Retours
      • Termes et conditions
      • Contactez-nous
    • notre menu
      • montres
      • Chasse Garmin
      • produit de peche
      • chien de chasse
    • Liens utiles
      • Politique de confidentialité
      • Retours
      • Termes et conditions
      • Contactez-nous

    NOTRE LOGO:

    WhatsApp Image 2025-09-27 at 7.00.33 AM

    LA SATISFACTION DU CLIENT EST NOTRE PRIORITE

    Système de paiement:

    Système de livraison:

    Nos liens sociaux:

    copyright @ 1998 - UniversGarmin.
    • Menu
    • Categories
    • montre
      • Quatix
      • Fenix
      • Venu
      • Descent
      • Forerunner
      • Instinct
    • Chasse Garmin
      • Chaussure Aigle
      • Chasse Aero Healthcare
      • Colliers de repérage Garmin
      • Lunette Thermique
      • Ensemble Chasse
    • Produit de pêche
      • Afficheurs Multifonctions
        • Offres spéciales Garmin Marine
        • GPSMAP Garmin
        • ECHOMAP Plus Garmin
        • Accessoires pour afficheurs multifonctions Garmin
      • Radar Garmin
        • Accessoires radar Garmin
      • Sondeurs / Sondeurs de pêche Garmin
        • Striker Garmin
        • Sondeur Panoptix Front-Vü / Livescope Garmin
        • Modules sonar Garmin
        • Sondes Garmin
      • Pilotes automatiques Garmin
        • Pilotes hydrauliques Garmin
        • Vérins
        • Pilotes automatiques sans unité de puissance Garmin
      • GPS portables et radios
        • Appareils GPS portables Garmin
        • Radios VHF Garmin
        • Communication satellite inReach Garmin
        • Accessoires pour GPS portables Garmin
    • chien de chasse
      • Beagle
      • Berger Allemend
      • Braque Allemand
      • Epagneul Breton
      • Labrador Retriever
      • Pointeur
      • Setter Anglais
    • Accueil
    • Boutique
    • À propos de nous
    • Contactez-nous
    • Liste de souhaits
    • Comparer
    • Login / Register
    Shopping cart
    Close
    Sign in
    Close

    Lost your password?

    No account yet?

    Create an Account
    Shop
    Wishlist
    0 items Cart
    My account